Restauration eines Siemens 2000 Projektors

Frontalansicht Abgenommener Objektivtraeger Objektivtraeger Vorwiderstand und Lampe Transport- und Lautsprecherkoffer


Vorteile des Siemens 2000:


Nachteile des Siemens 2000:


Eine kleine Übersicht über die gebauten Varianten..

Es folgen einige Bilder von diversen Bauarten des Siemens 2000 (auch "das Krokodil" genannt), ohne jeglichen Anspruch auf Vollständigkeit.

Die Verstärker gab es in drei grundlegenden Ausführungen, die Röhrenverstärker jeweils entweder für Fotozelle (100V Saugspannung!) oder Fotodiode: HF-Speisung der Tonlampe Die Tonlampen der Siemens 2000 Serie wurden entweder mit Wechselspannung (in Verbindung mit Kerbfilter bzw. Hochpass im Verstärker) oder mit durch Pi-Filter geglätteter Gleichspannung betrieben. In meinem Siemens 2000 wird die Tonlampe mit HF (rund 30 kHz) gespeist: die Regelschaltung ist einfach in Reihe zur Tonlampe geschaltet. Das im Schaltplan mit einem Fragezeichen markierte Bauteil ist aller Wahrscheinlichkeit nach eine Diode oder ein anderes spannungsabhängiges Bauteil. Die Tonlampe erhält ihre Versorungsspannung direkt von der -23V-Leitung des Verstärkers. Das hat den "lustigen" Effekt, daß bei einem "Poppen" im Ton (z.B. durch beschädigte Tonspur) die Helligkeit der Tonlampe sichtbar schwankt, wenn der Lautstärkeregler bei angeschlossener Lautsprecherbox aufgedreht wird. Die erwähnte Regelschaltung bzw. der HF-Oszillator befindet sich im Tonlampengehäuse an der Frontseite des Projektors (siehe Bild links).

Insgesamt kann man fast schon sagen, daß jeder Siemens 2000 Projektor auf seine Weise einzigartig ist. Es scheint beinahe unmöglich, exakt dasselbe Modell zweimal zu finden. Ein Beispiel dafür sind die Schalter für Motor und Lampe. Bei neueren Modellen (so auch bei meinem) wurden hier ganz unspektakulär handelsübliche, gekapselte Springkontaktschalter verbaut. Bei den älteren Modellen griff man hier zu abenteuerlicheren Varianten mit diversen offenen Sprung- und Messerkontakten (Bildquelle: Holger Born).


Schaltpläne und Schemata

Hier ein Schaltplan des Siemens 2000, basierend auf der Rekonstruktion eines extrem kleinen und unscharfen Fotos einer Siemens 2000-Anleitung (ebay) sowie meinen eigenen Beobachtungen.

Eine Betriebsanweisung zum Siemens 2000 (1957) gibt es auf der Seite www.kinobauer.de zum Download.

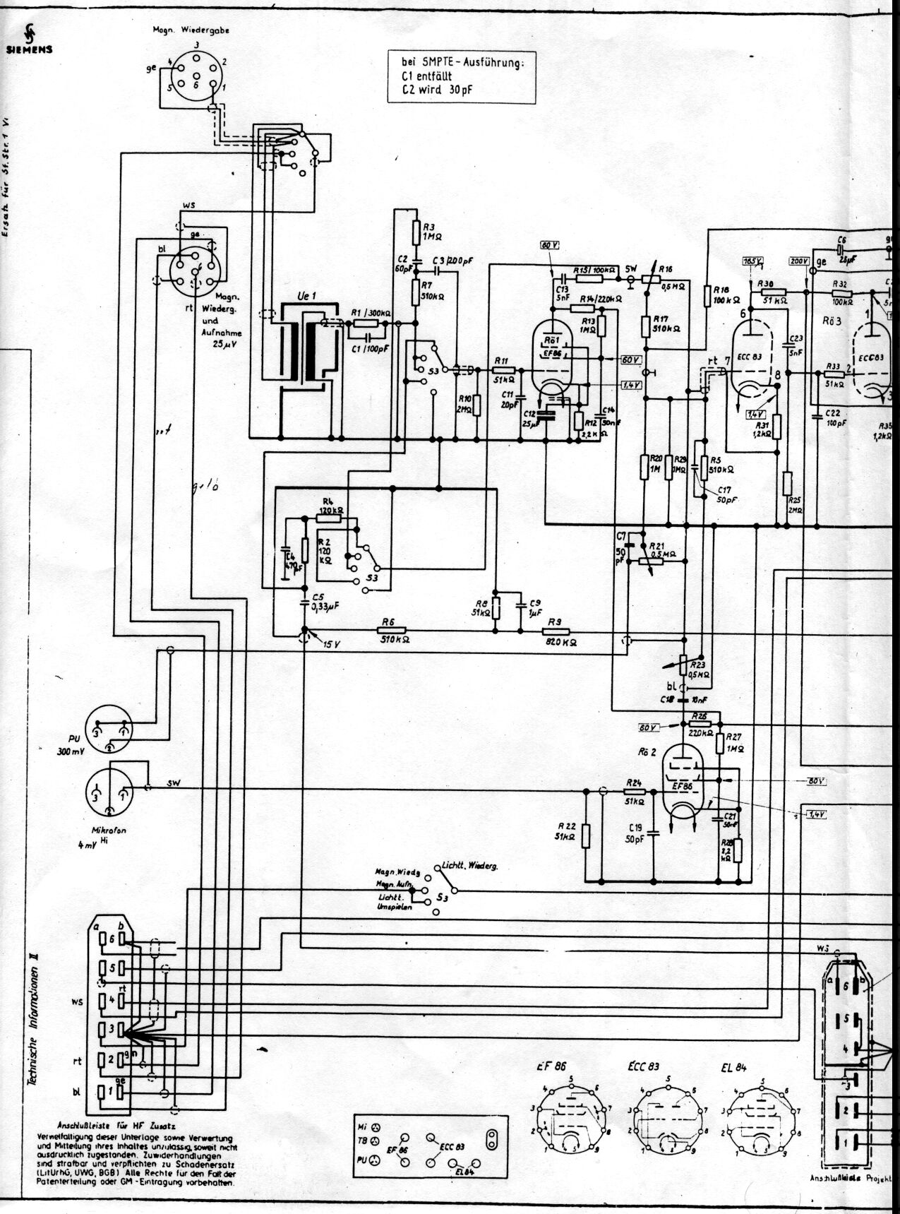
Erfreulicherweise hat mir die Firma Siemens gestattet, den Schaltplan des 15 Watt Universal Röhrenverstärkers, der mir von DH6JS zur Verfügung gestellt wurde, auf dieser Seite zu veröffentlichen. Teil 1 Teil 2


Ein paar Worte zu Beginn..

Ich gehe davon aus, dass wer immer auch diesen Text liest dies entweder nur aus purem Interesse tut oder, falls tatsächlich ein Arbeiten an den Innereien des Siemens 2000 geplant ist, die entsprechenden Kenntnisse besitzt (insbesondere sicherer Umgang mit Netzspannung etc).

1. Tauschen der Kondensatoren

Das sollte man (falls nicht schon geschehen) auf jeden Fall tun.. Es handelt sich dabei um einen Netzfilterkondensator (A), einen Filterkondensator (B), der den Fliehkraftkontakt mit dem Motorchassis verbindet, einen Motorkondensator (C) in Becherbauweise und eine Packung Kondensatoren in Delta-Konfiguration (D). Alle Kondensatoren sind Wechselspannungskondensatoren! Auf ausreichende Spannungsfestigkeit achten!

Wachskondensator
Kondensator A ist direkt über die Netzleitung geschaltet. Er war, den Explosions-Spuren in meinem Gerät nach zu urteilen, früher mal ein mit Teer vergossenes Exemplar, wurde aber scheinbar zwischenzeitlich durch einen Wachskondensator ersetzt. Auch dieser Wachskondensator zeigte allerdings schon deutliche Alterungserscheinungen: Die zu kleine Befestigungsschelle hatte sich derart in den Kondensator hineingedrückt, dass man bereits die Folien durchschimmern sehen konnte. Als Ersatz empfehle ich einen MP-Kondensator 220nF/275V/Klasse X2, RS-Components Best-Nr. 210-522.

Kondensator B ist ebenfalls ein Teerkondensator, er ist auf dem Chassis angebracht, über dem Fliehkraftkontakt. Wird am besten getauscht gegen einen 1nF/250V/Klasse Y2 Keramik-Kondensator, z.B. RS-Components Best-Nr. 214-5913.

Der Motorkondensator C ist ein relativ schwer erhältlicher 2yF/450V-Becher. Der einzige mir bekannte Versender, der einen äquivalenten im Sortiment führt, ist RS-Components, Best-Nr. 377-8740. Diesen Kondensator sollte man auf jeden Fall tauschen, denn die alten Becherkondensatoren enthalten u. U. noch PCB, keine Freude wenn da einer hochgeht..

D sitzt etwas versteckt unter der auf dem Motor montierten Trägerplatte, unter dem Motorkondensator. Zum Tausch muss die Trägerplatte (und idealerweise auch der Motor) demontiert werden. D ist kein einzelner Kondensator sondern besteht aus 3 in Teer vergossenen Kondensatoren in einer Verschaltung die man als "Delta-Konfiguration" bezeichnet, in diesem Fall 2x 2500pF und 1x 100nF. Man kann einen Ersatz für dieses Bauteil entweder aus MP-Kondensatoren (230V, Best.-Nr.210-572 und 210-500) selbst löten, oder, wenn man mit einer leichten Abweichung der Kapazitätswerte leben kann (4700pF statt 2500pF), fertig vergossen kaufen (Best-Nr. 239-668).
Delta-Schaltung Motor mit Traegerplatte und Kondensatoren

Man beachte, dass das Motorchassis nicht geerdet ist, sondern elektrisch "freischwebend" (isoliert vom Gehäuse des Projektors) montiert ist. Wenn der Projektor ans Stromnetz angeschlossen ist, liegen auf Motorrahmen, Motorachse usw. rund 225V an, die bei Belastung schnell einbrechen, jedoch immer noch zu milden elektrischen Schlägen führen können. Die Spannung wird vermutlich kapazitiv auf das Gehäuse gekoppelt mittels des erwähnten Delta-Filters - und schon zeigt sich, dass das Spendieren von Y-Kondensatoren ("Ausfall des Kondensators kann zu einem gefährdenden elektrischen Schlag führen") hier gar keine so schlechte Idee war. Trotzdem sollte man z.B. beim Wechseln des Riemens (siehe unten) den Projektor möglichst vom Netz trennen.


2. Antriebsriemen tauschen

Achtung: Vor Arbeiten am Riemen Projektor vom Stromnetz trennen (siehe oben).

Es gibt den Siemens 2000 in zahlreichen verschiedenen Ausführungen, dies macht sich auch beim Antriebsriemen (hinter dem Tonteil) bemerkbar. Die besseren Versionen arbeiten mit zwei Keilriemen, die eher weniger zu empfehlenden Versionen arbeiten mit einem Flachriemen und einer oder mehreren Spannrollen. Riemen lang Riemen kurz Leider entsprach mein Gerät der letzteren Bauart, noch dazu war der verwendete Riemen zu lang (290 mm) und an der Spannrolle falsch geführt (Foto links), so dass die Innenseiten aneinander rieben. Der Triebknopf erhitzte sich durch die aufgenommene Reibungswärme schon nach einigen Minuten Betrieb auf rund 60 Grad Celsius, der Motor hatte Anlaufschwierigkeiten (kam erst nach ca. 30 Sekunden auf Touren) und brummte im Dauerbetrieb relativ stark. Ein Tausch des Riemens gegen einen kürzeren (275mm, Foto rechts) brachte keine Abhilfe: nun trat ein relativ lauter Heulton auf und das vordere Motorlager erhitzte sich stark. Ausserdem lief der Riemen beim Rückwärtslauf des Projektor von der Motorachse herunter.

original Keilriemen Frontseite Flachriemenversion Abhilfe schaffte erst das Umrüsten auf Keilriemenscheiben, ausserdem wurden die Motorlager getauscht (Danke an MichaelB). Im Bild links (Quelle: Holger Born) ist eine Keilriemenversion des Siemens 2000 sichtbar, wie sie von Siemens ausgeliefert wurde. Es gibt einige Unterschiede zum Gehäuse der Flachriemenversion (rechtes Bild):


Distanzhuelse fuer die obere Achse Das Problem mit der unterschiedlich ausgeführten Buchse an der oberen Riemenscheibe wurde mit Hilfe einer aus Aluminium gedrehten Distanzhülse gelöst (siehe Bild links). Auf die Achse kommen dann in folgender Reihenfolge: Pressstoff-Distanzscheibe (bereits bei der Riemenversion vorhanden), Distanzhülse, Riemenscheibe. Vor dem Abziehen der oberen Riemenscheibe muß die im Inneren der Hauptachse geführte Blendeverstellachse herausgezogen werden. Sie ist an der Flügelblende verschraubt. Vorsicht, vorher die Blendensegmente mit Krokodilklemmen und Klebeband fixieren, der Zusammenbau der Blende kann bei mangelnder Erfahrung ohne weiteres einige Stunden dauern! Die Distanzscheibe (Metall) der mittleren Flachriemenscheibe wird auch bei der Keilriemenversion benötigt.

Neuer Rundriemen Nachdem die originalen 185mm Riemen kaum mehr zu bekommen und noch dazu teuer sind, wurde ein Spezialriemen der Fa. Sahlberg (München) verwendet (Danke an Herrn Gschrey!). Der 4mm-Rundriemen wird als Meterware geliefert und lässt sich mit Hilfe eines Lötkolbens und etwas Übung (nach dem Schmelzen sofort zusammenfügen und ca. 1 Minute lang zusammenpressen) zu einem sehr haltbaren Endlosriemen der gewünschten Länge verarbeiten. Vorsicht, der Riemen ist laut Fa. Sahlberg aus Polyurethan, es werden gesundheitsschädliche Dämpfe frei (Cyanid). Durch den maßgefertigten Riemen wird das Bohren eines schrägen Schlitzes, das mit viel Aufwand verbunden wäre (da keine Metallspäne ins Getriebe oder den Filmlauf kommen dürfen), unnötig. Aufgrund der Problematik der Metallspäne empfehle ich auch, auf das Aussägen einer Aussparung auf Höhe der mittleren Rolle zu verzichten, was allerdings leicht zu Komplikationen führeführenn kann (siehe "Fazit"). Schliesslich muss auch noch die Achse der mittleren Rolle gekürzt werden, damit diese nicht an das Abdeckblech des Motors stößt. Der auf Keilriemenscheiben umgebaute Antrieb ist im rechten Bild zu sehen.

Man benötigt also zum Umbau von Flach- auf Keilriemenantrieb:



3. Pilotlampe gegen Glimmlampe tauschen

Sofitte-Pilotlampe Glimmerpapier und Silikonkabel Eine lohnenswerte Modifikation ist das Ersetzen der Pilotlampe (Glühlampe in Sofittenform, bei älteren Modellen eine kleine Glühlampe) durch eine Glimmlampe: die Lesbarkeit der Stroboskopscheibe wird deutlich verbessert. Glimmlampen in Sofitten-Bauform scheint es nicht mehr zu geben, und die Fassung wäre ohnehin für die hohe Spannung nicht zu empfehlen. Es besteht also entweder die Möglichkeit, die Glühlampe durch eine extragroße Glimmlampe zu ersetzen und die Glimmlampe dauerhaft ans 230V-Netz zu hängen (der Schalter in der mir vorliegenden Bauart ist ebenfalls nicht für 230V geeignet), oder die Glimmlampe noch zusätzlich zur Glühlampe zu montieren. Nachdem dazu die Glühlampe tiefergelegt werden müsste, habe ich dieses Unternehmen erst einmal verschoben.


4. Asbestsanierung

Leider wurde im Siemens 2000 Asbest verbaut. Die Meinungen darüber, wie gefährlich Asbest nun wirklich ist, gehen stark auseinander. Fakt ist, dass die krebserzeugende Wirkung von Asbest nachgewiesen wurde (siehe Gefahrstoff-Information Asbest), er wurde von der Europäischen Union als "sehr stark gefährdender, krebserzeugender Stoff für den Menschen" eingestuft. Für den Menschen gefährliche Fasern werden v. a. bei der mechanischen Bearbeitung freigesetzt. Laut Gefahrstoff-Verordnung (GefStoffV) besteht ein Herstellungs- und Verwendungsverbot (siehe Informationen zu Asbest). Weitere Infos sind beispielsweise in der Broschüre Der umweltverträgliche Betrieb: Asbest der Arbeitsgemeinschaft Abfallberatung in Unterfranken nachzulesen.

Dem gegenüber steht das Argument, dass diese Projektoren über etliche Jahr hinweg in deutschen Schulen in Betrieb waren und heute nur wenige der damaligen Schüler unter Krebserkrankungen leiden, so dass von keinem kausalen Zusammenhang gesprochen werden kann.

Ich überlasse das Urteil dem Leser. Ich beschreibe hier eine mögliche Vorgehensweise, die ich persönlich für wichtig und vertretbar halte, übernehme jedoch keinerlei Verantwortung für die Richtigkeit der Angaben bzw. die Unbedenklichkeit der beschriebenen Prozedur.

Das Auftreiben von gleichwertigen Ersatz-Isolierstoffen gestaltet sich recht schwierig, denn Asbest ist rein technisch gesehen ein unübertroffen beständiger und vielseitig einsetzbarer Baustoff. Ich empfehle, die gesamte Sanierung bis inclusive dem Entfernen des Asbests im Freien durchzuführen und vor Abschluss der Sanierung nicht allzu neugierig am Gerät herumzuschnuppern.

Hier die Stellen, an denen Asbest verbaut ist:

Asbestpappe:
1. Innenverkleidung Lampenhaus (auf der Seite des Vorwiderstands)
2. zwischen der Keramikfassung des Vorwiderstands und dem tragenden Metallbügel
3. Unterlegscheiben für die Steckkontakte in der Keramikfassung
4. hinter dem Amperemeter

Asbestgewebe (Kabelummantelung):
5. 2x Kabel vom Klemmenbrett auf dem Motor zur Schaltkonsole
6. 1x Kabel in der Schaltkonsole (mit dem Vorwiderstand verbunden)
7. 2x Kabel zur Projektionslampe

Glimmerpapier, Keramikperlen
Die Asbestpappe ersetzt man am besten durch Glimmerpapier, das man leicht aus defekten Haartrocknern ausschlachten kann. Für Nr. 1 und 4 kann das dünne Glimmerpapier herhalten (Hitzeschirmung der Heizwendel gegen das Haartrockner-Gehäuse), für Nr. 2 bis 3 sollte man möglichst das dickere Glimmerpapier verwenden (Träger für die Heizwendeln). Die Asbestpappe entfernt man am besten, indem man die Teile soweit möglich ausbaut, die Asbestpappe mit Wasser oder Öl tränkt und dann vorsichtig entfernt. Die Nieten an Nr. 4 werden aufgebohrt und später durch kurze Schrauben ersetzt. Das Material darf nur bearbeitet werden solange es gut mit Wasser bzw. Öl durchtränkt ist!

Keramikperlen in der Schaltkonsole Die Kabel sollten genauer untersucht werden, teils wurde hier auch einfach nur Glasfaserisolierung verwendet - allerdings sollte man im Zweifel auf Nummer Sicher gehen. Als Ersatz für das Asbestkabel Nr. 6, das komplett in der Schaltkonsole verläuft, und die Kabelstücke die teils in der Schaltkonsole verlaufen, ist eigentlich nur ein "Selbstbau-Kabel" mit einer Isolierung aus Keramikperlen eine saubere Lösung. Keramikperlen gibt es entweder als KEMO-Sortiment (nicht getestet) oder von der Fa. Ettinger (www.ettinger.de), dort allerdings mit Mindestbestellwert 50 Euro, Art.-Nr. 13.86.523. Gegebenenfalls kann man die Perlen auch beim Elektroheizungsbauer des Vertrauens käuflich erwerben, beispielsweise bietet die Fa. Jasü (www.jasue.de) entsprechende Keramikperlen an (allerdings ebenfalls mit Mindestrechnungswert). Es bietet sich an, die alten Leiter der Asbestkabel wiederzuverwenden, man kann sie leicht aus der Isolierung herausziehen (vorher Gewebe tränken!). Dann werden (zumindest im Bereich der Schaltkonsole) die Leiter jeweils einseitig befestigt und dann die Keramikperlen aufgefädelt. Unter Umständen gibt es Probleme mit dem minimalen Biegungsradius, aber es lässt sich mit etwas Herumprobieren lösen. Nicht vergessen die letzte Perle irgendwie gegen Verrutschen zu sichern, sonst ist die Isolierungsfunktion nicht gegeben!

Glimmerpapier und Silikonkabel Silikonkabel zur Schaltkonsole Ausserhalb der Konsole setzt man besser Silikonkabel ein. Nachdem Silikonkabel mit starrem Leiter scheinbar nicht mehr erhältlich sind (und man aber ein starres Kabel verwenden sollte, da sich nur dieses gut verschrauben lässt an den Schraubklemmen des Amperemeter), habe ich auch hier den alten Leiter wiederverwendet und mit zwei Silikonschläuchen überzogen, 3mm und 5mm. Die Schläuche sind bei Conrad Elektronik erhältlich, Best-Nr. 608084-22 und Best-Nr. 608068-22. Vorsicht, die Schläuche lassen kleine Biegungsradien zu, die sehr leicht zu einem Kabelbruch führen können.


5. Herausführen eines Line-Out Ausgangs

Wem die 4 Watt Leistung des eingebauten Transistorverstärkers nicht ausreichen, um das Laufgeräusch des Projektors zu überdecken, oder wer das Rauschen der alten Transistoren des Verstärkers mit Hilfe einer HiFi-Anlage voll zur Geltung bringen möchte, dem sei das Herausführen eines Line-Out Ausgangs geraten.

Beim 4 Watt Transistorverstärker wird das Signal nach der Vorverstärkung zunächst mit Hilfe eines kleinen Transistors auf einen brauchbaren Level angehoben. Mit diesem Signal wird dann ein Leistungstransistor im TO-3 Gehäuse angesteuert, der dann die externe Lautsprecherbox speist. Das Signal, mit dem der Leistungstransistor angesteuert wird, hat in etwa Line-Level, bzw. kann zumindest mit dem Lautstärkeregler ohne Probleme in diesen Bereich bewegt werden. Nun sollte man allerdings an diesem Punkt nicht sofort eine Cinch-Buchse anschliessen, da das Signal hier immer noch von -8V überlagert ist. Ausserdem wirkt so die angeschlossene Last auf den internen Verstärker zurück, und kann diesen im schlimmsten Fall (Kurzschluss, statische Elektrizität, Überlast) sogar beschädigen. Die saubere Lösung ist eine Pufferstufe mit Hilfe eines Op-Amps (Danke an FH99 für die Tips zur Dimensionierung der Komponenten): Line Out Buffer
Eine Besonderheit des Siemens 2000 Transistorverstärkers ist, daß mit negativen Potentialen gearbeitet wird, d.h. Masse = Plus. Vorsicht, bei ausgeschalteter Tonlampe steigt die Versorgungsspannung von rund -23 Volt auf rund -32 Volt an! Die Kondensatoren sind deshalb, was die Spannungsfestigkeit angeht, alle etwas großzügig bemessen. Als zentrales Bauteil des Line Out Buffers kommt ein rauscharmer Op-Amp des Typs NE5534 zum Einsatz, der als Spannungsfolger betrieben wird, d.h. Verstärkung = 1.

Nun müssen die entsprechenden Punkte zum Anschluss des Line Out Buffers im Original-Verstärker gefunden werden. Masse ist bereits mit blossem Auge zu finden, die -23V-Leitung wird bis auf die Leistungstransistor-Platine geführt und kann dort mit einem Spannungsmessgerät gefunden werden. Die oben angesprochene Signalleitung, die ebenfalls auf die Leistungstransistor-Platine geführt wird, findet man am besten mit Hilfe eines Oszilloskops. Falls keines zur Verfügung steht, kann man auch eine Testschleife in den Tonteil einlegen und (nach vorherigem Messen mit dem Spannungsmessgerät!) nach dem Try-and-Error-Verfahren vorgehen (vorsicht, riskant). Mit etwas Geschick passt die Schaltung noch mit ins Gehäuse, der Line Out Ausgang kann dann z.B. auf die Tonbandbuchse an der Fronseite gelegt werden. Hier lässt sich dann ein selbst angefertigter Adapter 3pin-DIN auf 2x Cinch (Mono) anstecken.

Hier noch zwei Bilder des Transistorverstärkers. Im linken Bild ist rechts neben dem Netztrafo die Stelle zu erkennen, an der der Line-Out-Buffer in einer Gehäuseöffnung "versenkt" wurde (zu sehen ist nur der Pappkarton für die Isolation). Die blaue Litze dient zur -23V-Versorung des Buffers, die orange Leitung ist mit der Gerätemasse verbunden. Beide sind auf der Leistungstransistorplatine angelötet, die rechts unten im Bild zu sehen ist. Keine sonderlich schöne Installation, aber nur schwer anders machbar aufgrund der beengten Verhältnisse, wenn man am Gerät möglichst wenig modifizieren will. Im rechten Bild ist die Oberseite der Verstärkerplatine zu sehen (Leistungstransistorplatine nicht im Bild). Hier sind noch Uralt-Typen wie z.B. AC107 und TF65 verbaut, sowie Koppelkondensatoren im nF-Bereich in einer Art Pressstoffausführung, die teils bereits Risse zeigt. Hier stehen noch umfangreiche Austauschaktionen bevor. Verstaerkerplatine Unterseite Verstaerkerplatine Oberseite


6. Nachfetten des Schmierungsfilzes und Ölen der Lager

Hinter dem Objektivträger befindet sich innen im Projektor über der Getriebeachse ein kleines weisses Plastikdöschen mit Fett, an dem unten zwei mit Filz belegte Blattfedern angebracht sind, die auf der Achse aufliegen. Die Filze dürfen nicht austrocknen, sie werden benötigt um die stark beanspruchten Exzenterscheiben zu schmieren, die den Greifer steuern. Falls die Filze ausgetrocknet sind bzw. das rote Fett im Vorratsdöschen verdickt ist, kann man mit etwas Maschinenöl verdünnen oder:

Auch den Fettbehälter hinter der kleinen Plastikabdeckung an der dem Bediener zugewandten Seite des Objektivträgers sollte man überprüfen. Den Filz am Getriebe sollte man nicht allzusehr mit Fett tränken, man bedenke dass das Fett auf dem Filz durch die erhöhte Temperatur im Betrieb fast flüssig wird. Nach den ersten paar Betriebsstunden den Objektivträger abnehmen und von den runden, auf Achsen am Objektivträger angebrachten Filzen das überschüssige, heruntergelaufene Fett abtupfen.

Auch die Lager sollte man nachölen. Es handelt sich um Sinterlager, d.h. eigentlich "wartungsfreie" Lager, deren poröser Werkstoff (Bronze?) bei der Herstellung mit Öl getränkt wurde. Leider verlieren diese über die Jahre einen großen Teil des Öls und somit der Schmierung. Man kann mit dünnflüssigem, säurefreiem, nicht-harzendem Nähmaschinenöl etwas Linderung schaffen. Dazu positioniert man den Projektor so, dass das Öl durch die Schwerkraft senkrecht nach unten ins Lager laufen kann, und gibt dann direkt am Lager zunächst _einen_ (!) Tropfen auf die Welle. Mit einer Nähnadel kann man ein wenig nachhelfen das Lager zu benetzen, ist das passiert kriecht das Öl von selbst hinein wenn man die betreffende Achse ein wenig von Hand dreht. Für wenig belastete Schmierstellen tut auch Ballistol Waffenöl sehr gute Dienste.


Wie man den Projektor zerlegt:



Noch ein paar Hinweise..

Das 230V-Versorgungskabel für den Verstärker (bei Projektoren mit Transistorverstärker) sieht mit seinen drei Leitungen (rot, schwarz, grau) zwar verlockend nach einem 230V-Kabel in Standardbeschaltung und alter Farbcodierung aus.. ich kann aber niemandem empfehlen, das zum Testen so anzuschliessen (rot auf Erde): der mittlere Schalter am Transistorverstärker schaltet die beiden Leitungen kurz (ein zusätzlicher Tipp-Taster für den Motor), und nachdem der Schalter nicht mehr zu kaufen ist, muss man ihn nach derartiger Misshandlung aufschrauben und die Kontakte wieder zurechtmachen..

Ausserdem sollte man die Position der Lampenfassung prüfen und die Anschlussleitungen der Lampe durchmessen bevor man den Motor wieder einbaut.. in meinem Fall hatte ich nach Wiedereinbau des Motors (und vollständiger Verdrahtung des Klemmenbretts) bemerkt, dass kurz vor dem Mikrokontaktschalter für die Lampe ein Kabelbruch aufgetreten war. Das bedeutete: Kabel alle wieder ab und Motor wieder raus.. einen zeitaufwendigeren Fehler kann ich mir im Siemens 2000 nicht vorstellen..



Fazit

Für alle, die vom Arbeiten mit 35mm Projektoren verwöhnt sind, eine Alternative gegenüber den moderen Autoload- und Slotload Typen (zumindest im Heimbereich). Für den professionellen Kinoeinsatz keinesfalls geeignet. Der Zeitaufwand zur Restauration ist gigantisch. Der Ton ist so la-la, Bildstand schwankt von Maschine zu Maschine, im Moment bereitet meine Maschine noch Probleme: leichtes Blendenziehen. Man sollte einiges an Geduld mitbringen und bei unvorhergesehenden Pannen nicht gleich die Fassung verlieren. Einige Highlights:



Ausblick und Anmerkungen

Weitere mögliche Modifikationen:

Die Beschreibungen sowie die erwähnten Vor-/Nachteile beziehen sich großteils auf das in meinem Besitz befindliche Gerät. Bei anderen Bauarten wird man die Vorgehensweise bei der Restauration u.U. entsprechend anpassen müssen. Kritik, Lob, Anregungen, Hinweise auf sachliche und/oder Tippfehler usw sind jederzeit willkommen, Mail an marc@filmtec.franken.de


Dank

Den folgenden Personen, die auf die eine oder andere Weise zum Gelingen dieses Berichts beigetragen haben, möchte ich herzlich danken:
Daniel, DH6JS, FH99, Friedrich Gschrey, Holger Born, MichaelB, Martin Rowek, Theo und allen, die im Forum zu den Diskussionen rund um den Siemens 2000 beigetragen haben, sowie allen, die Bilder zugesteuert haben (siehe Quellen).



Letzte Änderung: Mon Jun 9 23:03:15 CEST 2003